
शून्य गैस जनरेटर
वायु गुणवत्ता स्वचालित निगरानी प्रणाली में वायु निगरानी उपकरणों को परिशुद्धता और सटीकता के लिए नियमित रूप से कैलिब्रेट करने की आवश्यकता होती है। यह तालिका में मानक गैस खिलाकर प्राप्त किया जाता है। मानक गैस के साथ उपकरण को कैलिब्रेट करते समय, शून्य बिंदु को शून्य गैस के साथ कैलिब्रेट करना आवश्यक है।
विवरण
अवलोकन
वायु गुणवत्ता स्वचालित निगरानी प्रणाली में वायु निगरानी उपकरणों को परिशुद्धता और सटीकता के लिए नियमित रूप से कैलिब्रेट करने की आवश्यकता होती है। यह तालिका में मानक गैस खिलाकर प्राप्त किया जाता है। मानक गैस के साथ उपकरण को कैलिब्रेट करते समय, शून्य बिंदु को शून्य गैस के साथ कैलिब्रेट करना आवश्यक है।
हमारी कंपनी द्वारा लॉन्च किया गया AQMS -100 शून्य वायु जनरेटर मुख्य रूप से शहरी परिवेशी वायु गुणवत्ता निगरानी उपकरणों और इनडोर परिवेशी वायु गुणवत्ता निगरानी उपकरणों के शून्य बिंदु अंशांकन के लिए उपयोग किया जाता है। इस उपकरण में स्थिर आउटपुट शून्य वायु प्रवाह, कम ओस बिंदु, शुष्क और स्वच्छ शून्य वायु और सरल संचालन के फायदे हैं।
लाभ
1.स्थिर आउटपुट शून्य वायु प्रवाह
2.तेज़ प्रतिक्रिया समय+
3.सरल ऑपरेशन
4. कम ओस बिंदु
5.शुष्क और स्वच्छ शून्य हवा

विशेषताएँ
- ऑटो डिहाइड्रेशन के साथ तीन-श्रेणी जल निष्कासन प्रणाली को अपनाकर पानी निकालने की मजबूत क्षमता।
- लंबे समय तक चलने वाले So2, NO, No2, और H2S रिमूवर से सुसज्जित।
- उच्च दक्षता वाले CO और हाइड्रोकार्बन रिमूवर से सुसज्जित।
- स्थिर प्रवाह और दबाव के साथ स्वच्छ और शुष्क शून्य गैस उत्पन्न की गई।
- 20L/min तक शून्य गैस प्रवाह, आउटपुट दबाव समायोज्य।
- आसान संचालन, कम नियमित रखरखाव।
- क्लाउड का उपयोग पारगमन यूबीई और भट्ठी में फ्लशिंग गैस और एफआईडी विश्लेषक के लिए ऑक्सीडेंट गैस के रूप में किया जाता है
- बाहरी वायु कंप्रेसर में अप्रशिक्षित स्थिति के तहत स्वचालित जल निकासी कार्य होता है

कार्यरत सिद्धांत
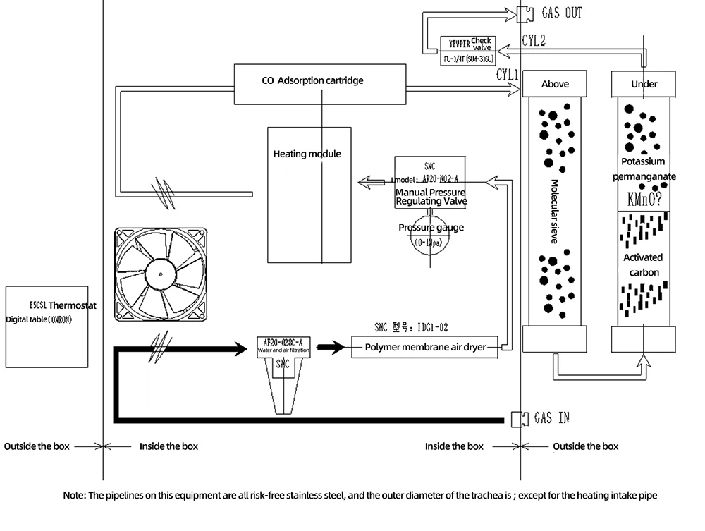
AQMS -100 शून्य गैस जनरेटर में वायु संपीड़न शीतलन प्रणाली, जल निष्कासन प्रणाली, HC/CO निष्कासन प्रतिक्रिया प्रणाली, NO प्रतिक्रिया प्रणाली, NO2निकालना, 03, SO2, H2S, NH3 प्रणाली और अंतिम कण पदार्थ निष्कासन शून्य गैस आउटपुट प्रणाली शामिल है, सिस्टम गैस सर्किट चित्र 1-2 में दिखाया गया है

आकृति 1-2 एक्यूएमएस - 100 गैस सर्किट आरेख
1.संपीड़ित वायु ठंडा प्रणाली
एयर कंप्रेसर से निकलने वाली हवा में उच्च दबाव और आर्द्रता होती है। उच्च आर्द्रता वाली हवा तांबे की ट्यूब कूलर से होकर गुजरती है, और उपयोग किए जाने पर ठंडी हवा की क्रिया के तहत, गर्मी हवा के प्रवाह से दूर हो जाती है, और हवा का तापमान गिर जाता है। ऐसे उच्च दबाव और कम तापमान की स्थिति में, हवा की सापेक्ष आर्द्रता उच्चतम तक पहुँच जाती है, सामान्य वायुमंडलीय परिस्थितियों में, हवा अतिसंतृप्त हो जाएगी।
2.पानी हटाना प्रणाली
सुपरसैचुरेटेड हवा पानी और गैस को अलग करने के लिए वाटर रिमूवल फिल्टर से होकर गुजरती है, और हवा में मौजूद तरल नमी को हवा से अलग किया जाता है। अलग किए गए पानी को सोलनॉइड वाल्व के माध्यम से निकाला जाएगा। जल निकासी के लिए सोलनॉइड वाल्व को हर 30 मिनट में एक बार खोला जाता है, और हर बार जल निकासी का समय 5 सेकंड होता है। वाटर रिमूवल फिल्टर के बाद हवा पुनर्योजी स्क्रबर में प्रवेश करती है, और पुनर्योजी स्क्रबर का कार्य हवा में मौजूद गैसीय नमी को और अधिक दूर करना है।
आणविक छलनी वाले दो ड्रम बारी-बारी से काम करते हैं, जब आणविक छलनी वाले एक ड्रम का उपयोग हवा को धोने के लिए किया जाता है, तो दूसरे को हवा धोने के अगले दौर की तैयारी के लिए पुनर्जीवित किया जाता है। जब उपकरण सक्रिय होता है, तो 5/2-वे सॉलोनॉइड वाल्व उच्च दबाव वाली हवा को दो आणविक छलनी कारतूसों में से एक में निर्देशित करता है, जबकि अन्य कारतूस को वायुमंडल में छोड़ दिया जाता है। जब हवा पहले सिलेंडर से गुज़रती है, तो आणविक छलनी इसमें मौजूद लगभग सभी गैसीय नमी को हटा सकती है, और शुष्क हवा का उत्पादन कर सकती है। शुष्क हवा का कुछ हिस्सा शटल वाल्व से होकर आणविक छलनी वाले दूसरे सिलेंडर में जाता है। चूंकि आणविक छलनी वाला दूसरा सिलेंडर वायुमंडल से जुड़ा होता है, इसलिए शुष्क हवा दूसरे सिलेंडर में तेजी से फैलती है आणविक छलनी वाले दो सिलेंडर बारी-बारी से काम करते हैं, और कार्य आवृत्ति हर दो मिनट में बदल जाती है।
चूंकि आणविक छलनी वाले दो कारतूस बारी-बारी से काम करते हैं, जिसमें एक को पानी से मुक्त किया जाता है जबकि दूसरे को पुनर्जीवित किया जाता है, इसलिए आणविक छलनी को बदलने की आवश्यकता नहीं होती है।
3.एचसी / सीओ हटाना प्रतिक्रिया प्रणाली
यह प्रणाली हवा में मौजूद हाइड्रोकार्बन की एक छोटी मात्रा को CO2 और H2O में बदल देती है, CO को CO2 में बदल देती है। प्रतिक्रिया प्रणाली में एक बाहरी आवरण शामिल है, जिसमें एक उच्च तापमान प्रतिक्रिया कक्ष होता है, और प्रतिक्रिया कक्ष दानेदार महान धातु उत्प्रेरक से सुसज्जित होता है। प्रतिक्रिया कक्ष को थर्मोकपल वाले हीटर द्वारा गर्म किया जाता है और बाहरी भाग को थर्मल इन्सुलेशन से भर दिया जाता है।
प्रतिक्रिया का सिद्धांत इस प्रकार है:
![]()
4.नहीं हटाना प्रतिक्रिया प्रणाली
सिस्टम ऑक्सीडेंट की क्रिया के तहत पुराफिल में है, प्रतिक्रिया तापमान कमरे का तापमान है, और हवा में NO NO2 में परिवर्तित हो जाता है। पुराफिल ऑक्सीकरण एजेंट NO को NO2 में परिवर्तित करने के लिए समर्पित है पुराफिल ऑक्सीकरण एजेंट का सीमित सेवा जीवन है और इसका रंग बैंगनी है। जब बैंगनी का 80% भूरा-पीला हो जाता है, तो ऑक्सीडाइज़र को बदलने की आवश्यकता होती है।
प्रतिक्रिया का सिद्धांत इस प्रकार है:
![]()
5.N02 , 03 , 502 , H2S , एनएच3 हटाना प्रतिक्रिया प्रणाली
सिस्टम NO2, 03, SO2, H2S और NH3 को हटाने के लिए सक्रिय कार्बन का उपयोग करता है। सक्रिय कार्बन को हर 6 महीने में बदलना चाहिए। जब हवा में इन गैसों की मात्रा अधिक होती है, तो सक्रिय कार्बन का जीवन चक्र छोटा हो जाएगा। जब अंशांकन उपकरण को शून्य गैस के साथ आपूर्ति की जाती है, यदि मापा संकेत सकारात्मक संकेत में काफी बदलाव होता है, तो आपको पहले सक्रिय कार्बन को बदलने पर विचार करना चाहिए।
6.अंतिम अवस्था कण हटाना शून्य वायु आउटपुट प्रणाली
अंतिम कण निष्कासन प्रणाली का उपयोग आउटपुट शून्य हवा में सूक्ष्म कणों को फ़िल्टर करने के लिए किया जाता है, और फ़िल्टर स्तर 10 माइक्रोन है।

|
वस्तु |
नाम |
चित्रण |
| 1 |
पंखा |
/ |
| 2 |
नामपट्टिका |
/ |
| 3 |
सक्रिय कार्बन कपड़े धोने का उपकरण |
/ |
| 4 |
कोई धुलाई उपकरण नहीं |
/ |
| 5 |
हवा का प्रवेश मार्ग |
1/4" |
| 9 |
निकासी |
1/4" |
| 10 |
आउटपुट |
1/4" |
| 11 |
पावर इंटरफ़ेस |
220वीएसी,50हर्ट्ज |
विशेष विवरण
|
नाम |
अनुक्रमणिका |
|
उत्पादन |
10SLPM जब 30Psig |
|
ओसांक |
<-20C |
|
S02 |
<0.025ppb |
|
नहीं |
<0.025ppb |
|
नहीं2 |
<0.025ppb |
| O3 |
<0.3ppb |
| सीओ |
<0.01ppm |
|
हवा कंप्रेसर |
बाहरी |
|
जमाना |
डेस्कटॉप |
|
परिचालन तापमान |
(0-40) C |
|
बिजली की आपूर्ति |
110वीएसी,60एचजेड |
|
वज़न |
14 किलो |
|
आयाम |
55.4सेमीx48.5सेमीx22.5सेमी |
लोकप्रिय टैग: शून्य गैस जनरेटर, चीन शून्य गैस जनरेटर निर्माताओं, आपूर्तिकर्ताओं
जांच भेजें
शायद तुम्हे यह भी अच्छा लगे







